GSA25RW-7.62
| Стандарт | UL | IEC |
| Номинальное напряжение | 300V | 250V |
| Номинальный ток | 16A | 24A |
| Сечение | 22-14AWG | 2.5mm2 |
| Выдерживаемое напряжение | AC2000V/Min | |
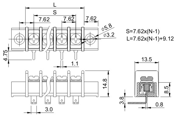
| Шаг | 7.62mm(.300″) | |
| Количество контактов | 2P-26P | |
Функциональные аналоги
DEGSON — DG25R-A-7.62
ANYTAK — YK-314/7.62
DINKLE — DT-25-A14W
Категория: Барьерные





