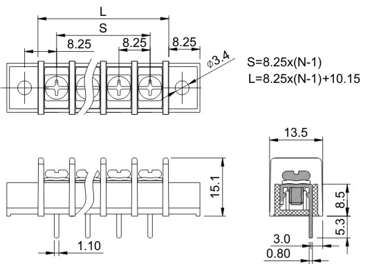
GSA30SW-8.25
| Стандарт | UL | IEC |
| Номинальное напряжение | 300V | 250V |
| Номинальный ток | 16A | 24A |
| Сечение | 22-12AWG | 2.5mm2 |
| Выдерживаемое напряжение | AC2000V/Min | |
| Шаг | 8.25mm(.325″) | |
| Количество контактов | 2P-26P | |
Функциональные аналоги
DEGSON — DG35S-A-8.25
ANYTAK — YK-414/8.25
DINKLE — DT-35-A07W
Категория: Барьерные





