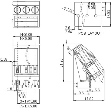
GS013H-5.0/5.08
| Стандарт | UL | IEC |
| Номинальное напряжение | 300V | 250V |
| Номинальный ток | 16A | 24A |
| Сечение | 24-14AWG | 0.5-2.5mm2 |
| Выдерживаемое напряжение | AC2000V/1Min | |
| Шаг | 5.0mm(.197″)5.08mm(.200″) | |
| Количество контактов | 2P,3P-24P | |
Функциональные аналоги
DEGSON — DG104-5.08





